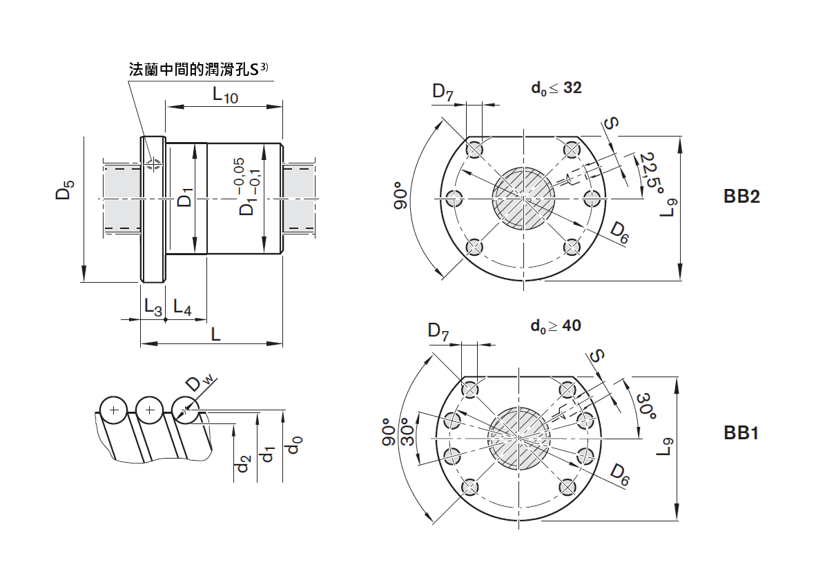
法蘭式單螺母 FEM-E-C
|
型號 |
規格 |
尺寸(mm) |
|||||||||||||
|
d0 |
P |
d1 |
d2 |
D1 |
D5 |
類型 |
D6 |
D7 |
L |
L3 |
L4 |
L9 |
L10 |
S3) |
|
|
R1502 010 65 |
16 |
5R |
15.0 |
12.9 |
28 |
48 |
BB2 |
38 |
5.5 |
38 |
12 |
10 |
44.0 |
26 |
M6 |
|
R1502 040 85 |
16 |
10R |
15.0 |
12.9 |
28 |
48 |
BB2 |
38 |
5.5 |
45 |
12 |
16 |
44.0 |
33 |
M6 |
|
R1502 060 65 |
16 |
16R |
15.0 |
12.9 |
28 |
48 |
BB2 |
38 |
5.5 |
61 |
12 |
20 |
44.0 |
49 |
M6 |
|
R1502 110 85 |
20 |
5R |
19.0 |
16.9 |
36 |
58 |
BB2 |
47 |
6.6 |
40 |
12 |
10 |
51.0 |
28 |
M6 |
|
R1502 170 65 |
20 |
20R |
19.0 |
16.7 |
36 |
58 |
BB2 |
47 |
6.6 |
77 |
12 |
25 |
51.0 |
65 |
M6 |
|
R1502 210 85 |
25 |
5R |
24.0 |
21.9 |
40 |
62 |
BB2 |
51 |
6.6 |
45 |
12 |
10 |
55.0 |
33 |
M6 |
|
R1502 240 85 |
25 |
10R |
24.0 |
21.9 |
40 |
62 |
BB2 |
51 |
6.6 |
64 |
12 |
16 |
55.0 |
52 |
M6 |
|
R1502 280 65 |
25 |
25R |
24.0 |
21.4 |
40 |
62 |
BB2 |
51 |
6.6 |
95 |
12 |
30 |
55.0 |
83 |
M6 |
|
R1502 310 85 |
32 |
5R |
31.0 |
28.4 |
50 |
80 |
BB2 |
65 |
9.0 |
48 |
13 |
10 |
71.0 |
35 |
M6 |
|
R1502 340 86 |
32 |
10R |
31.0 |
27.9 |
50 |
80 |
BB2 |
65 |
9.0 |
77 |
13 |
16 |
71.0 |
64 |
M6 |
|
R1502 370 65 |
32 |
20R |
31.0 |
27.9 |
50 |
80 |
BB2 |
65 |
9.0 |
84 |
13 |
25 |
71.0 |
71 |
M6 |
|
R1502 390 65 |
32 |
32R |
31.0 |
27.9 |
50 |
80 |
BB2 |
65 |
9.0 |
120 |
13 |
40 |
71.0 |
107 |
M6 |
|
R1502 410 86 |
40 |
5R |
39.0 |
36.4 |
63 |
93 |
BB1 |
78 |
9.0 |
54 |
15 |
10 |
81.5 |
39 |
M8x1 |
|
R1502 440 85 |
40 |
10R |
38.0 |
33.8 |
63 |
93 |
BB1 |
78 |
9.0 |
70 |
15 |
16 |
81.5 |
55 |
M8x1 |
|
R1502 450 65 |
40 |
12R |
38.0 |
33.8 |
63 |
93 |
BB1 |
78 |
9.0 |
75 |
15 |
25 |
81.5 |
60 |
M8x1 |
|
R1502 460 65 |
40 |
16R |
38.0 |
33.8 |
63 |
93 |
BB1 |
78 |
9.0 |
90 |
15 |
25 |
81.5 |
75 |
M8x1 |
|
R1502 470 85 |
40 |
20R |
38.0 |
33.8 |
63 |
93 |
BB1 |
78 |
9.0 |
88 |
15 |
25 |
81.5 |
73 |
M8x1 |
|
R1502 490 65 |
40 |
40R |
38.0 |
33.8 |
63 |
93 |
BB1 |
78 |
9.0 |
142 |
15 |
45 |
81.5 |
127 |
M8x1 |
|
R1502 510 86 |
50 |
5R |
49.0 |
46.4 |
75 |
110 |
BB1 |
93 |
11.0 |
54 |
15 |
10 |
97.5 |
39 |
M8x1 |
|
R1502 540 86 |
50 |
10R |
48.0 |
43.8 |
75 |
110 |
BB1 |
93 |
11.0 |
90 |
18 |
16 |
97.5 |
72 |
M8x1 |
|
R1502 550 66 |
50 |
12R |
48.0 |
43.8 |
75 |
110 |
BB1 |
93 |
11.0 |
105 |
18 |
25 |
97.5 |
87 |
M8x1 |
|
R1502 560 66 |
50 |
16R |
48.0 |
43.8 |
75 |
110 |
BB1 |
93 |
11.0 |
128 |
18 |
25 |
97.5 |
110 |
M8x1 |
|
R1502 570 86 |
50 |
20R |
48.0 |
43.4 |
75 |
110 |
BB1 |
93 |
11.0 |
132 |
18 |
25 |
97.5 |
114 |
M8x1 |
|
R1502 590 65 |
50 |
40R |
48.0 |
43.4 |
75 |
110 |
BB1 |
93 |
11.0 |
149 |
18 |
45 |
97.5 |
131 |
M8x1 |
|
R1502 640 86 |
63 |
10R |
61.0 |
56.8 |
90 |
125 |
BB1 |
108 |
11.0 |
90 |
22 |
16 |
110.0 |
68 |
M8x1 |
|
R1502 670 86 |
63 |
20R |
61.0 |
56.4 |
95 |
135 |
BB1 |
115 |
13.5 |
132 |
22 |
25 |
117.5 |
110 |
M8x1 |
|
R1502 690 65 |
63 |
40R |
61.0 |
56.4 |
95 |
135 |
BB1 |
115 |
13.5 |
149 |
22 |
45 |
117.5 |
127 |
M8x1 |
|
R1502 740 86 |
80 |
10R |
78.0 |
73.3 |
105 |
145 |
BB1 |
125 |
13.5 |
95 |
22 |
16 |
127.5 |
73 |
M8x1 |
|
R1502 770 96 |
80 |
20R |
76.0 |
67.0 |
125 |
165 |
BB1 |
145 |
13.5 |
170 |
25 |
25 |
147.5 |
145 |
M8x1 |
*螺母 80 x 20R配用滾珠螺桿最大長度可達2500mm,帶預緊。
*潤滑口的款式:
L3 ≤ 13mm時,平面 ;
L3>14mm時,沉孔。