• SNS帶孔蓋的滾珠滑軌

SNS帶孔蓋的滾珠滑軌

BSCL滾珠導軌導向系統-SNS-鋼製滾珠滑軌-R2055

bscl-r2055.png


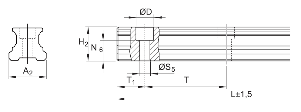
滾珠滑塊及規格

規格

尺寸(mm)

A2

D

H2

Lmax

N6±0.5

S5

T

T1 min

R2055-1

15

15.0

7.4

14.1

3836

8.6

4.5

60.0

10.0

R2055-8

20

20.0

9.4

17.0

3836

10.0

6

60.0

10.0

R2055-2

25

23.0

11.0

20.0

3836

11.3

7

60.0

10.0

R2055-7

30

28.0

15.0

23.0

3836

12.0

9

80.0

12.0

R2055-3

35

34.0

15.0

26.5

3836

15.5

9

80.0

12.0

R2055-4

45

45.0

20.0

33.0

3776

17.0

14

105.0

16.0

  • 滑軌原材料可達 4000mm 長
  • 全方位潤滑孔
  • 配件種類:
    1.前製潤滑油單元
    2.前置密封件
    3.鋼製刮刷板
    4.潤滑轉接件
  • 防塵塑料孔塞由上方安裝
  • 互換的精度等級 N,H,P
  • 3種預壓的類別 C0,C1,C2
  • 國際標準尺寸 ISO12090 - 1
  • 可訂製滑軌
關注